LP3717系列芯片通過創新的自供電技術和高度集成的系統架構,實現了隔離型適配器/充電器設計方案的極簡化。該系列覆蓋12W至18W功率范圍,集成750V高壓BJT,采用原邊反饋(PSR)控制技術,將傳統反激方案的外圍元件數量降至行業新低。本文將從產品定位、版本選型、系統架構、電氣特性到工程實踐,全面解析LP3717系列的技術特點與應用要點。
| 傳統PSR方案 | LP3717方案 | 技術優勢 |
|---|---|---|
| 需外置啟動電阻 | 內置高壓啟動電路 | 省去2-3顆電阻,降低待機功耗 |
| 輔助繞組VCC供電需二極管 | 自供電技術 | 取消VCC供電二極管,簡化變壓器設計 |
| 固定峰值電流 | 外置電阻可編程 | 靈活適配不同功率等級 |
| 固定線損補償 | 可調輸出線損補償 | 通過FB分壓電阻精確調節補償量 |
| 外置功率管 | 內置750V BJT | 減少驅動電路,提升可靠性 |
LP3717系列提供五種細分型號,主要差異體現在封裝形式、輸入電壓范圍、退磁比例和功率等級四個維度。
| 定購型號 | 封裝 | 功率規格 | 輸入電壓范圍 | 退磁比例 | 典型應用 |
|---|---|---|---|---|---|
| LP3717ASH | SOP7L | 12W (12V/1.0A) | 100Vac~265Vac | 50% | 標準12W適配器 |
| LP3717BSH | SOP8L | 12W (12V/1.0A) | 100Vac~265Vac | 50% | 需要更好散熱的12W方案 |
| LP3717BTH | SOP8L | 12W (12V/1.0A) | 90Vac~265Vac | 50% | 低壓輸入地區(如日本100V) |
| LP3717BST | SOP8L | 12W (5V/2.4A) / 15W (5V/3.0A@176Vac~) | 100Vac~265Vac | 60% | 5V大電流快充 |
| LP3717BTT | SOP8L | 15W (5V/3.0A) / 18W (12V/1.5A) | 100Vac~265Vac | 60% | 高功率密 |
選型要點:
LP3717提供兩種封裝選擇,管腳功能略有差異:

關鍵設計提示: SOP8L封裝將C引腳擴展至4個,大幅增加了芯片散熱能力,這也是BST/BTT能夠支持更高功率(15W-18W)的物理基礎。
LP3717的典型應用電路展現了其"極簡化"的設計哲學:

外圍元件清單(極簡配置):
總計:核心外圍僅約10顆元件,相比傳統方案減少30%-40%。
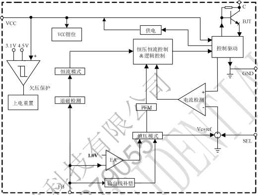
LP3717的內部結構框圖揭示了其自供電與恒壓恒流控制的實現機制:

| 參數 | 符號 | 最小值 | 典型值 | 最大值 | 單位 | 說明 |
|---|---|---|---|---|---|---|
| VCC啟動電壓 | VCC_ST | 3.5 | 4.3 | 5.1 | V | 芯片啟動閾值 |
| VCC鉗位電壓 | VCC_CLAMP | 5.12 | 5.40 | 5.68 | V | 過壓保護點 |
| VCC欠壓保護 | VCC_UVLO | 2.7 | 3.0 | 3.3 | V | 掉電重啟閾值 |
| 啟動電流 | IST | 0.1 | 1 | 4 | μA | 極低待機功耗 |
| 工作電流 | ICC1 | 100 | 220 | 350 | μA | 正常運行消耗 |
| 型號 | 退磁比例RTDEM | IOUT_DEM(典型) | 恒流計算公式 |
|---|---|---|---|
| ASH/BSH/BTH | 50% | 390mA | IOUT = ? × IPKMAX × (NP/NS) × k |
| BST/BTT | 60% | 465mA | (k為漏感系數,0.90-0.95) |
設計實例: 對于LP3717BTT設計5V/3A輸出:
SEL腳外接電阻RSEL可靈活設置最大峰值電流:
LP3717系列代表了隔離型小功率電源設計的"極簡主義"方向。通過自供電技術、內置高壓BJT、可編程峰值電流和可調線損補償等創新,對于電源工程師而言,LP3717不僅是一顆IC,更是一種設計范式的轉變。深圳三佛科技為芯茂微一級代理提供技術支持,批量價格有優勢~