在現代電子設備中,電源適配器的性能和效率至關重要。本文將詳細介紹基于FT8395PB2和FT8374FB的六級無Y適配器電源參考設計,旨在提供一種高性價比、高效率的電源解決方案。
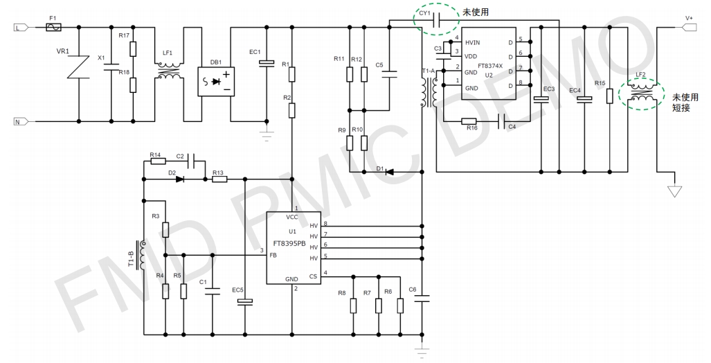
FT8395PB2 是一款高度集成的原邊反饋控制芯片,具備以下特點:
工作在脈沖頻率調制(PFM)模式下,輕載時系統功耗極小。
啟動電流最大為3uA,可以使用大啟動電阻提高節能效果。
提供多種保護功能,包括輸入欠壓鎖定、峰值電流限制、恒流控制和過溫保護。
FT8374FB 是一款高性能的同步整流芯片,具有以下特性:
支持CCM/OR/DCM的反激轉換器。
自供電以支持寬的輸出電壓范圍(3.3V-21V)。
極簡的外圍元件,只需1個電容。
超短的開啟和關斷延遲(20ns)。

高效率與低功耗:FT8395PB2和FT8374FB的組合提供了高效率的電源轉換,同時在輕載時保持低功耗,滿足六級能效要求。
簡化設計:極簡的外圍元件需求減少了電路設計的復雜性和成本。
高集成度:集成了多種功能和保護特性,包括欠壓鎖定(UVLO)、過溫保護(OTP)、逐周期電流限制(OCP)等。
優秀的EMI特性:內置的抖頻技術使得EMI處理更加簡單,有助于通過相關認證。
3. 設計要點及電路原理圖

輸入電壓范圍:全電壓范圍待機低于75mW,滿足能效六級標準。
開關頻率:典型65kHz開關頻率,提供良好的EMI特性。
保護機制:包括過壓/欠壓/過溫/短路保護等,確保系統的高可靠性。
4.變壓器規格和PCB布局

5.應用場景
適配器:適用于各種電子設備的電源適配器,如手機、筆記本電腦等。
充電器:可以用于設計高效率的充電器,滿足USB PD和PPS快充需求。
LED驅動:適用于需要高效率和高穩定性的LED照明應用。
6. 結論
FT8395PB2和FT8374FB的組合為六級無Y適配器電源提供了一個高性能、高效率的解決方案。這種設計不僅滿足了現代電子設備對電源效率和穩定性的需求,而且通過簡化的外圍電路設計降低了成本,是電源適配器設計的優選方案。