
聯系我們
INA KR16-PP

- 型號:
- KR16-PP
- 品牌:
- INA
- 系列:
- KR..-PP
- 內徑:
- 6 mm
- 外徑:
- 16 mm
- 厚度:
- 28 mm
- 起訂量:
- ≥ 1套
- 物流:
- 全國配送

- 電話:

恩梯必專業銷售INA KR16-PP,能為客戶提供各種技術服務,軸承選型及型號替代等解決方案,需要KR16-PP最新規格、圖紙、報價等資料可聯系我司銷售部!
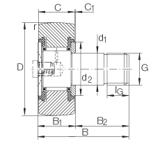
- 尺寸
- d2
- 12.5
- mm
- G
- M6 (x1)
- IG
- 8
- mm
- rmin
- 0.15
- mm
- 重量
- m
- 18
- g
- 質量
- 鎖緊力矩
- MA
- 3
- Nm
- 螺母的鎖緊力矩
- 基本額定載荷
- Cr w
- 3150
- N
- 滾輪的有效額定動載荷(徑向)
- C0r w
- 3350
- N
- 滾輪的有效額定靜載荷(徑向)
- 疲勞極限載荷
- Cur w
- 450
- N
- 疲勞極限載荷
- 極限轉速
- nD G
- 14000
- r/min
- 轉速(脂潤滑下連續運轉)
- 說明
- NIPA1
- 緊配合潤滑嘴 輕壓配合潤滑油嘴松散提供。 只能使用所提供的潤滑油嘴。
- 只有法蘭端有再潤滑孔,該端面帶有安裝時防止轉動的長槽。
- 尺寸
- D
- 16
- mm
- d1
- 6
- mm
- 公差:h7
- B
- 28
- mm
- B1 max
- 12.2
- mm
- B2
- 16
- mm
- C
- 11
- mm
- C1
- 0.6
- mm
相關型號推薦:
KR16-PP
KR16-SK-PP
KR16
KRV16-PP
KRE16PP
KR16PP
KRV16PP
熱門型號排行榜: FAG BND2232-Z-T-AF-S FAG BND2232-Z-T-AL-S FAG BND2232-Z-T-BF-S FAG BND2232-Z-T-BL-S FAG BND2234-Z-T-AF-S FAG BND2234-Z-T-AL-S FAG BND2234-Z-T-BF-S FAG BND2234-Z-T-BL-S FAG BND2236-Z-T-AF-S FAG BND2236-Z-T-AL-S FAG BND2236-Z-T-BF-S FAG BND2236-Z-T-BL-S
熱門型號排行榜: FAG BND2232-Z-T-AF-S FAG BND2232-Z-T-AL-S FAG BND2232-Z-T-BF-S FAG BND2232-Z-T-BL-S FAG BND2234-Z-T-AF-S FAG BND2234-Z-T-AL-S FAG BND2234-Z-T-BF-S FAG BND2234-Z-T-BL-S FAG BND2236-Z-T-AF-S FAG BND2236-Z-T-AL-S FAG BND2236-Z-T-BF-S FAG BND2236-Z-T-BL-S
FAG軸承型號搜索
FAG-INA軸承產品中心
產品中心
產品搜索
類別目錄
四川恩梯必有限公司 版權所有


