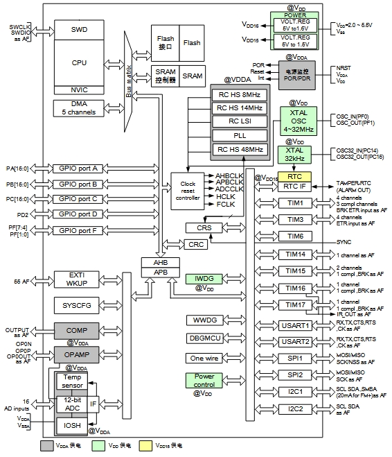
FT32F030F6AP7是輝芒微FT32F030xx系列中的入門級型號,采用TSSOP-20小型封裝,主打低成本、低功耗、高兼容三大賣點。對于熟悉STM32的開發者而言,這顆芯片最大的吸引力在于寄存器級兼容STM32F030K6TP7——這意味著現有的STM32代碼庫、開發工具鏈(如Keil MDK、STM32CubeMX)幾乎可以無縫遷移,大幅降低國產替代的學習成本。
核心規格速覽:
| 參數 | 規格 |
|---|---|
| 內核 | ARM Cortex-M0,72MHz主頻 |
| Flash | 32KB |
| SRAM | 4KB |
| 供電電壓 | 2.0V ~ 5.5V(寬壓設計) |
| 封裝 | TSSOP-20(3mm×6.5mm) |
| 工作溫度 | -40°C ~ +105°C |
芯片內置多路時鐘源,可根據應用場景靈活選擇:

實用技巧:對成本敏感的消費電子,可直接使用HSI48省去外部晶振,BOM成本降低約0.3元。
亮點:ADC支持IO采樣保持電路(VIOSH),能捕獲瞬態信號,這在同價位MCU中較為罕見。
應用場景:單電阻無感FOC控制、BLDC方波驅動、數字電源等。
| 接口 | 特性 |
|---|---|
| USART×2 | 最高9Mbps,支持自動波特率檢測、RS485硬件流控 |
| SPI×2 | 最高18Mbps,支持4~16位數據幀 |
| I2C×2 | I2C1支持Fast Mode+(1Mbps),20mA驅動能力 |
| SWD | 標準2線調試接口 |
| 模式 | 典型電流@3.3V | 喚醒源 | 適用場景 |
|---|---|---|---|
| 睡眠模式 | ~1.2mA(72MHz運行) | 任意中斷 | CPU空閑等待外設 |
| 停止模式 | 5.6μA(LP模式) | EXTI、RTC、IWDG | 周期性數據采集 |
| 待機模式 | 2.2μA | NRST、WKUP、RTC、IWDG | 電池供電長期休眠 |


| 需求場景 | 推薦型號 | 說明 |
|---|---|---|
| 極致成本,20腳夠用 | FT32F030F6AP7 | TSSOP-20,32KB Flash |
| 需要更多GPIO | FT32F030K6AT7 | LQFP-32,55個GPIO |
| 大容量Flash | FT32F030R8AT7 | LQFP-64,64KB Flash |
| 需要觸摸功能 | FT32F032G8BS7 | SOP-28,內置TSC |
與競品對比:
| 特性 | FT32F030F6AP7 | STM32F030K6T6 | GD32F130F6P6 |
|---|---|---|---|
| 主頻 | 72MHz | 48MHz | 72MHz |
| Flash | 32KB | 32KB | 32KB |
| SRAM | 4KB | 4KB | 4KB |
| 內置運放 | ? | ? | ? |
| 雙比較器 | ? | ? | 1個 |
| 價格(批量) | 低 | 高 | 中 |
FT32F030F6AP7代表了國產MCU在兼容性替代路徑上的成熟方案。它并非追求參數上的全面超越,而是精準切中"能用、好用、省成本"的市場痛點:
對于正在尋找STM32替代方案的團隊,建議從非核心功能模塊開始試點(如顯示驅動、輔助控制),逐步驗證可靠性后擴大應用范圍。隨著輝芒微工具鏈和生態的持續完善,這顆芯片有望在更多領域實現規模化國產替代。如需選購可以咨詢店鋪客服:https://detail.1688.com/offer/986925908132.html?spm=a26286.8251493.description.2.221425b2O8jPj3